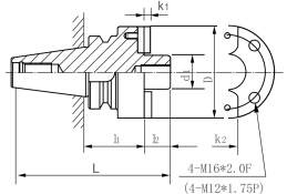
| 型号 | D | D1 | D2 | L1 | L2 | L | K1 | K2 |
| BT30-FMA25.4-45 | 50 | 25.4 | 31.5 | 45 | 20 | 113.4 | 4.52 | 9.52 |
| BT30-FMA25.4-60 | 60 | 128.4 | ||||||
| BT30-FMA31.75-45 | 60 | 31.75 | 40 | 45 | 22 | 115.4 | 6.7 | 12.7 |
| BT40-FMA25.4-45 | 50 | 25.4 | 31.5 | 45 | 20 | 130.4 | 4.52 | 9.52 |
| BT40-FMA25.4-60 | 60 | 145.4 | ||||||
| BT40-FMA25.4-90 | 90 | 175.4 | ||||||
| BT40-FMA25.4-105 | 105 | 190.4 | ||||||
| BT40-FMA31.75-45 | 60 | 31.75 | 40 | 45 | 22 | 132.4 | 6.7 | 12.7 |
| BT40-FMA38.1-60 | 75 | 38.1 | 50 | 60 | 25 | 150.4 | 8.87 | 15.87 |
| BT40-FMA50.8-60 | 98 | 50.8 | 65 | 36 | 161.4 | 9.75 | 19.05 | |
| BT50-FMA25.4-45 | 50 | 25.4 | 31.5 | 45 | 20 | 166.8 | 4.52 | 9.52 |
| BT50-FMA25.4-90 | 90 | 211.8 | ||||||
| BT50-FMA25.4-150 | 150 | 271.8 | ||||||
| BT50-FMA31.75-45 | 60 | 31.75 | 40 | 45 | 22 | 168.8 | 6.7 | 12.7 |
| BT50-FMA31.75-105 | 98 | 105 | 228.8 | |||||
| BT50-FMA38.1-45 | 50 | 38.1 | 50 | 45 | 25 | 171.8 | 8.87 | 15.87 |
| BT50-FMA50.8-45 | 95 | 50.8 | 65 | 45 | 36 | 182.8 | 9.75 | 19.05 |
| BT50-FMA50.8-75 | 75 | 212.8 | ||||||
| BT50-FMA47.62-75 | 128.75 | 47.625 | - | 32 | 208.8 | 12.5 | 25.4 |
| 型号 | D | D1 | D2 | L1 | L2 | L | K1 | K2 |
| BT30-FMA25.4-45 | 50 | 25.4 | 31.5 | 45 | 20 | 113.4 | 4.52 | 9.52 |
| BT30-FMA25.4-60 | 60 | 128.4 | ||||||
| BT30-FMA31.75-45 | 60 | 31.75 | 40 | 45 | 22 | 115.4 | 6.7 | 12.7 |
| BT40-FMA25.4-45 | 50 | 25.4 | 31.5 | 45 | 20 | 130.4 | 4.52 | 9.52 |
| BT40-FMA25.4-60 | 60 | 145.4 | ||||||
| BT40-FMA25.4-90 | 90 | 175.4 | ||||||
| BT40-FMA25.4-105 | 105 | 190.4 | ||||||
| BT40-FMA31.75-45 | 60 | 31.75 | 40 | 45 | 22 | 132.4 | 6.7 | 12.7 |
| BT40-FMA38.1-60 | 75 | 38.1 | 50 | 60 | 25 | 150.4 | 8.87 | 15.87 |
| BT40-FMA50.8-60 | 98 | 50.8 | 65 | 36 | 161.4 | 9.75 | 19.05 | |
| BT50-FMA25.4-45 | 50 | 25.4 | 31.5 | 45 | 20 | 166.8 | 4.52 | 9.52 |
| BT50-FMA25.4-90 | 90 | 211.8 | ||||||
| BT50-FMA25.4-150 | 150 | 271.8 | ||||||
| BT50-FMA31.75-45 | 60 | 31.75 | 40 | 45 | 22 | 168.8 | 6.7 | 12.7 |
| BT50-FMA31.75-105 | 98 | 105 | 228.8 | |||||
| BT50-FMA38.1-45 | 50 | 38.1 | 50 | 45 | 25 | 171.8 | 8.87 | 15.87 |
| BT50-FMA50.8-45 | 95 | 50.8 | 65 | 45 | 36 | 182.8 | 9.75 | 19.05 |
| BT50-FMA50.8-75 | 75 | 212.8 | ||||||
| BT50-FMA47.62-75 | 128.75 | 47.625 | - | 32 | 208.8 | 12.5 | 25.4 |
